HAMAMATSU 滨松 L12557-01SR 用于光学链路的光 IC
详细参数
| 类型 1 | 用于 POF 数据链路 |
|---|
| 零件号 | S12423-01SR |
|---|
| 封装 | 塑料 |
|---|
| 封装类型 | 带透镜 |
|---|
| 带宽 | DC 至 10 Mbps |
|---|
| 工作温度 | -20 至 +85 摄氏度 |
|---|
| 储存温度 | -40 至 +85 摄氏度 |
|---|
| 测量条件 | Ta = 25°C,Vcc = 4.75 至 5.25 V,除非另有说明 |
|---|
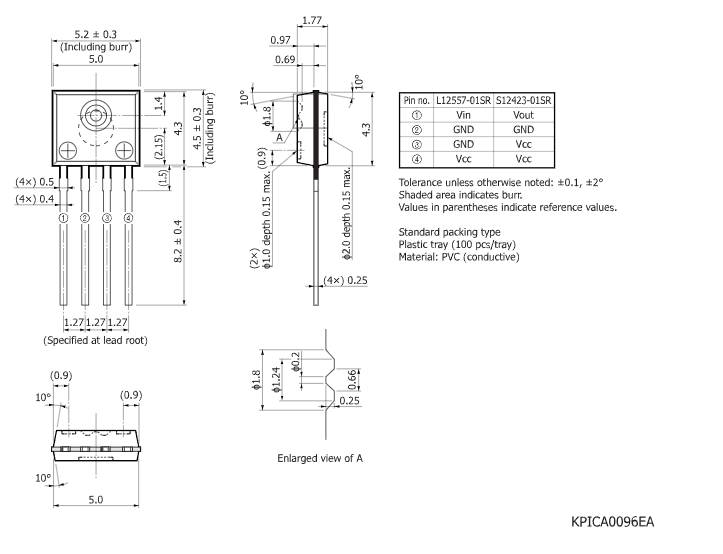
外形尺寸图(单位:mm)

手机/微信:13242449659电话:0755-89355351 QQ:842471885 邮箱:842471885@qq.com