HAMAMATSU 滨松 S8046 用于光学链路的光 IC
详细参数
| 类型 1 | 用于 POF 数据链路 |
|---|
| 类型 2 | TTL 输出 |
|---|
| 封装 | 塑料 |
|---|
| 封装类型 | 带透镜 |
|---|
| 带宽 | 4 至 50 Mbps |
|---|
| 工作电源电压 | 4.5 至 5.5 V |
|---|
| 工作温度 | -40 至 +85 摄氏度 |
|---|
| 储存温度 | -40 至 +85 摄氏度 |
|---|
| 测量条件 | Ta = 25°C,Vcc = 4.5 至 5.5 V |
|---|
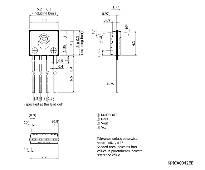
外形尺寸图(单位:mm)

手机/微信:13242449659电话:0755-89355351 QQ:842471885 邮箱:842471885@qq.com